北京市凌鷹起重機械廠
地址:北京市昌平區東小口
二十四小時手機:18611422091(同微信)
傳真: 010-58043523
抖音:lyqz18611422091
掃一掃加微信好友




在電站廠使用電動葫蘆一般出現上升或下降控制回路故障時,是由于以下原因引起的:
故障現象:主廠房機電電動葫蘆在操作過程中出現上升(下降)無法動作。
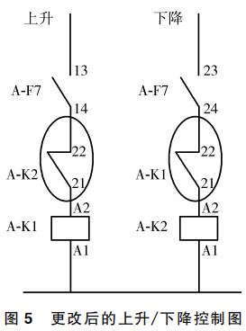
原因分析及處理:由于葫蘆上升(下降)的動作主要依靠接觸器使電機的正反轉來實現,故應考慮電源故障或控制元件故障,所以在故障處理時考慮:(1)測量控制回路電源是否正常為AC48V;(2)上升(下降)限位器是否誤動作導致控制回路斷開。(3)是否有超載現象導致載荷限制動作。(4)控制元件是否故障,如繼電器輔助觸點是否有松動、接觸不良、生銹等現象。在對以上各條原因分析排查中,發現接觸器損壞為主要原因,而其損壞的要因應為上升和下降控制回路無互鎖,若在操作上升回路的同時誤操作下降回路,則導致上升和下降的接觸器同時勵磁,長時間將造成接觸器的損壞或燒毀。因此,我們在上升和下降回路中分別串入下降接觸器和上升接觸器的常閉輔助觸點,當操作上升或下降回路時,使另一條回路處于無法接通狀態,從而實現了電動葫蘆上升和下降控制回路的相互閉鎖功能,保護了設備,防止了人員誤操作 。
建議:由于橋機電動葫蘆一般在檢修期使用較多,平時多為停止狀態,其廠房內振動較大,所以要注意日常維護,檢查元器件是否動作良好,有無銹蝕、接線松動等現場,并及時處理。更改其上升、下降控制圖如下:
?

?
?
上一條:簡述長期不用的電動葫蘆處理方法
下一條:淺談電動葫蘆及其電機的工作原理